Doblado de chapas de metal en ángulos diferentes utilizando un juego limitado de herramientas.
Doblado de chapas de metal introduciendo la chapa entre el punzón y la matriz.
Soluciones de utillaje de WILA para conseguir bridas de menor longitud.
Evite deformaciones al realizar doblados cerca de recortes.
Formas de limitar la acumulación de metal
La embutición exige reflexionar de antemano sobre la elección de la prensa dobladora y las herramientas.
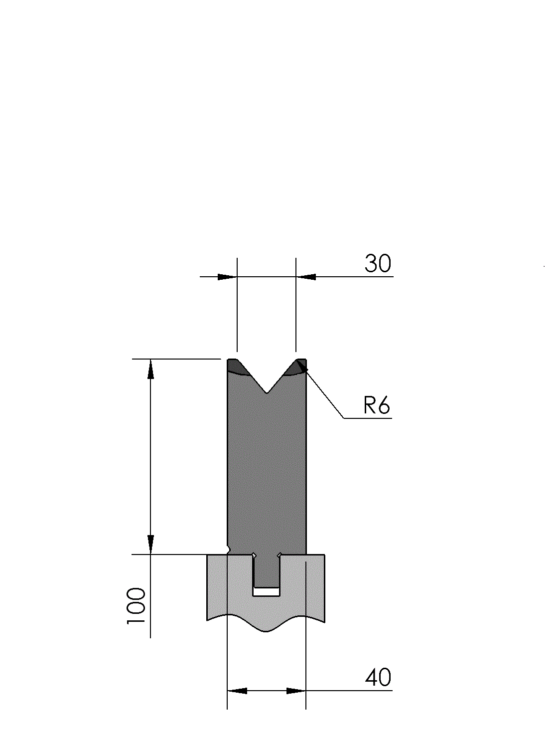
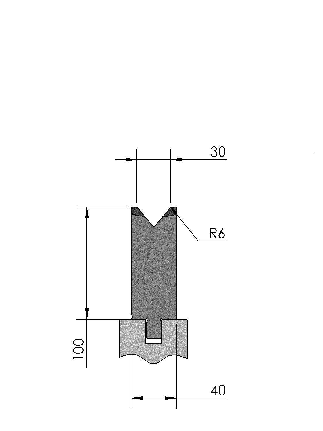
Herramientas y portaherramientas para el doblado de acero grueso o de alta resistencia.
Acabado de bordes afilados y refuerzo de piezas de los productos elaborados en chapa metálica.
Generación de un curvado de radio grande respecto al grosor del material.
Reduce las marcas sobre la superficie del material doblado.
Ejecución de dos doblados iguales y opuestos en una sola operación.
Una visión general de todas las aplicaciones y técnicas de doblado.
Todas las aplicaciones
Todo lo que siempre quiso saber sobre el doblado de planchas de metal.
Siga leyendoWILA está presente en la industria desde 1932. Nuestras herramientas y portaherramientas innovadoras de gran calidad nos han convertido en líderes mundiales en el terreno de la productividad de prensas dobladoras.
Siga leyendo
Los distribuidores de WILA tienen los conocimientos y destrezas requeridos para atender sus necesidades en cuanto a las prensas dobladoras. Siempre encontrará algún distribuidor de WILA en su zona.
Localice un distribuidor en su zona