Doblado de chapas de metal en ángulos diferentes utilizando un juego limitado de herramientas.
Doblado de chapas de metal introduciendo la chapa entre el punzón y la matriz.
Soluciones de utillaje de WILA para conseguir bridas de menor longitud.
Evite deformaciones al realizar doblados cerca de recortes.
Formas de limitar la acumulación de metal
La embutición exige reflexionar de antemano sobre la elección de la prensa dobladora y las herramientas.
Herramientas y portaherramientas para el doblado de acero grueso o de alta resistencia.
Acabado de bordes afilados y refuerzo de piezas de los productos elaborados en chapa metálica.
Generación de un curvado de radio grande respecto al grosor del material.
Reduce las marcas sobre la superficie del material doblado.
Ejecución de dos doblados iguales y opuestos en una sola operación.
Una visión general de todas las aplicaciones y técnicas de doblado.
Todas las aplicaciones
Todo lo que siempre quiso saber sobre el doblado de planchas de metal.
Siga leyendo
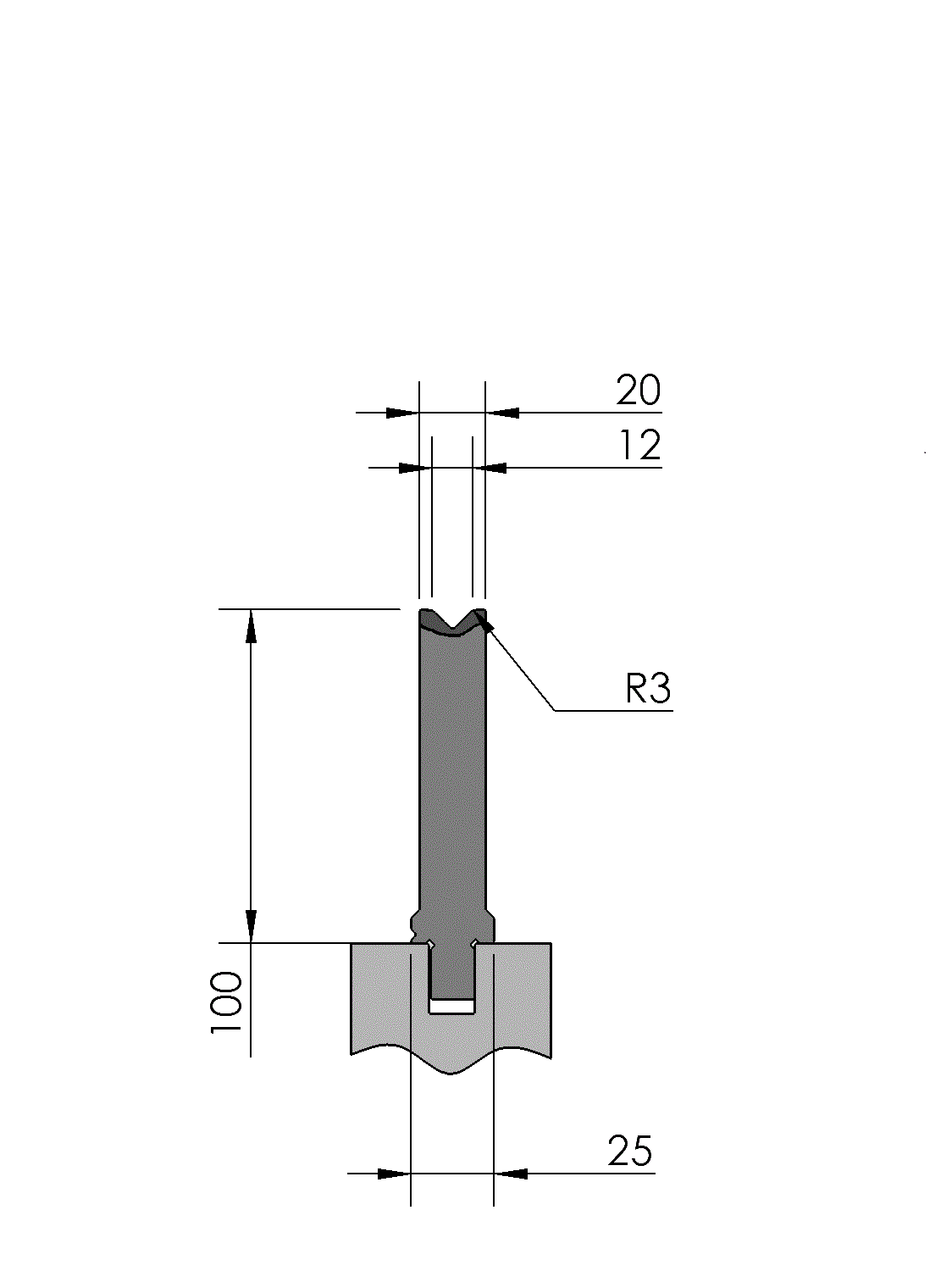
New Standard Premium bottom tool provided with WILA New Standard ATC, Working height=100mm, V-opening=12mm/90°, Bending radius=3mm CNC-Deephardened® (at least 4mm / 56-60HRc), Material=CR-MO
Max. load = 120ton/m.