Search
Most searched
Back

OZU-362 ATC

OZU-362 ATC

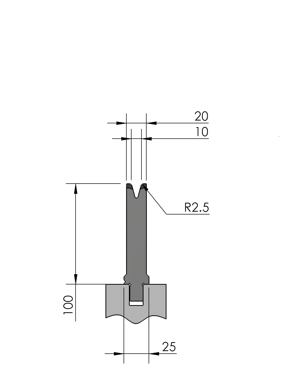
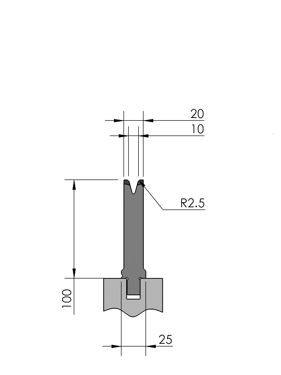
New Standard Premium Bottom Tool ATC
  • Working height = 100mm
  • V-opening = 10mm/30°
  • Radius = 2.5mm
  • CNC-Deephardened® (≥ 4mm / 56-60HRC)
  • Max. Belastung = 80ton/m
  • Provided with ATC-adapter

Description

New Standard Premium bottom tool provided with ATC-adapter. Working height=100mm, V-opening=10mm/30°, Bending radius=2.5mm CNC-Deephardened® (at least 4mm / 56-60HRc), Material=CR-MO
Max. load = 80ton/m.
This tool can be supplied with EnduraBend coating or with the OZU-ZN coating (Additional information)

Downloads

Thank you for your interest!

Please leave your email address and we'll send you a download link straight away. Or register for MyWILA and get immediate access to all WILA online content.

Guest download Sign in
Already have an account? Sign in