Search
Most searched
Back

OZU-342 NS ATC

OZU-342 NS ATC

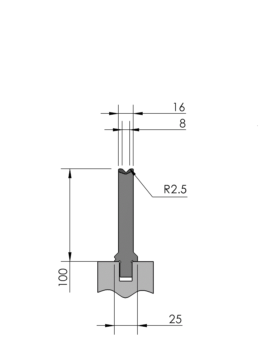
New Standard Premium Bottom Tool NS ATC
  • Working height = 100mm
  • V-opening = 8mm/90°
  • Radius = 2.5mm
  • CNC-Deephardened® (≥ 4mm / 56-60HRC)
  • Max. Belastung = 120ton/m
  • Provided with WILA New Standard ATC

Description

New Standard Premium bottom tool provided with WILA New Standard ATC, Working height=100mm, V-opening=8mm/90°, Bending radius=2.5mm CNC-Deephardened® (at least 4mm / 56-60HRc), Material=CR-MO
Max. load = 120ton/m.

Downloads

Thank you for your interest!

Please leave your email address and we'll send you a download link straight away. Or register for MyWILA and get immediate access to all WILA online content.

Guest download Sign in
Already have an account? Sign in