Abkanten von Blechen in verschiedenen Winkeln mit einem begrenzten Werkzeugsatz.
Abkanten von Blechen durch Einschließen des Blechs zwischen Stempel und Matrize.
Werkzeuglösungen von WILA zur Realisierung kürzerer Flanschlängen.
Vermeidung von Verformungen beim Biegen in der Nähe von Aussparungen.
Vorgehensweise beim Biegen von verzinkten Blechen, Aluminium oder Edelstahl.
Das Kastenbiegen verlangt eine vorausschauende Wahl der Abkantpresse und des Werkzeugs.
Werkzeugsysteme und Werkzeuge für das Biegen von dickerem oder hochfestem Stahl.
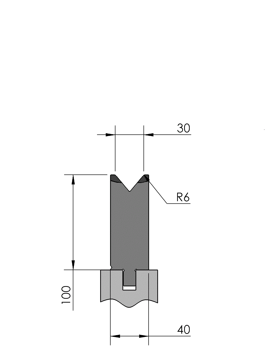
Nachbearbeitung scharfer Kanten und Verstärkung von Blechteilen.
Biegungen mit einem großen Radius im Verhältnis zur Materialstärke.
Reduzierung oder eliminierung von Abdrücken auf der Oberfläche des gebogenen Materials.
Zwei gleiche und entgegengesetzte Biegungen in einem Arbeitsgang.
Ein Überblick über Biegeanwendungen und -techniken
Alle Anwendungen
Alles, was Sie schon immer zum Thema Abkanten wissen wollten.
Weiter lesenWILA ist seit 1932 in der Branche tätig. Unsere innovativen, qualitativ hochwertigen Werkzeuge und Werkzeughalter haben uns zu einem weltweit führenden Unternehmen im Bereich Abkantpressenproduktivität gemacht.
Weiter lesen
WILA-Händler verfügen über das Wissen und die Erfahrung, um Sie bei Ihren Anforderungen im Bereich Abkantwerkzeuge zu unterstützen. Es gibt immer einen WILA-Händler in Ihrer Nähe.
Finden Sie Ihren lokalen Händler