Plaatmateriaal buigen in verschillende hoeken met gebruik van een beperkt aantal gereedschappen.
Het buigen van plaatmateriaal door de plaat tussen de stempel en de matrijs op te sluiten.
WILA's gereedschapsoplossingen voor het realiseren van kortere flenslengtes.
Vermijd vervormingen bij buigen in de buurt van uitsparingen.
Hoe om te gaan met aanladen bij het kanten van gegalvaniseerd plaatmateriaal, aluminium of RVS.
Bij het buigen van dozen moet u vooraf nadenken over uw keuze van kantpers en gereedschap.
Gereedschapssystemen en gereedschap voor het buigen van dikker of hoogsterktestaal.
Werk scherpe randen af en verstevig delen van het plaatwerk.
Buigen met een grote verhouding tussen radius en materiaaldikte.
Voorkom of verminder aftekening op het oppervlak van gezet plaatwerk.
Twee gelijke maar tegengestelde buigingen maken in één slag.
Bewerk uw plaatmateriaal met de gewenste buigmethode.
Alle toepassingen
Alles wat u altijd al heeft willen weten over kanten van plaatmateriaal.
Lees meer
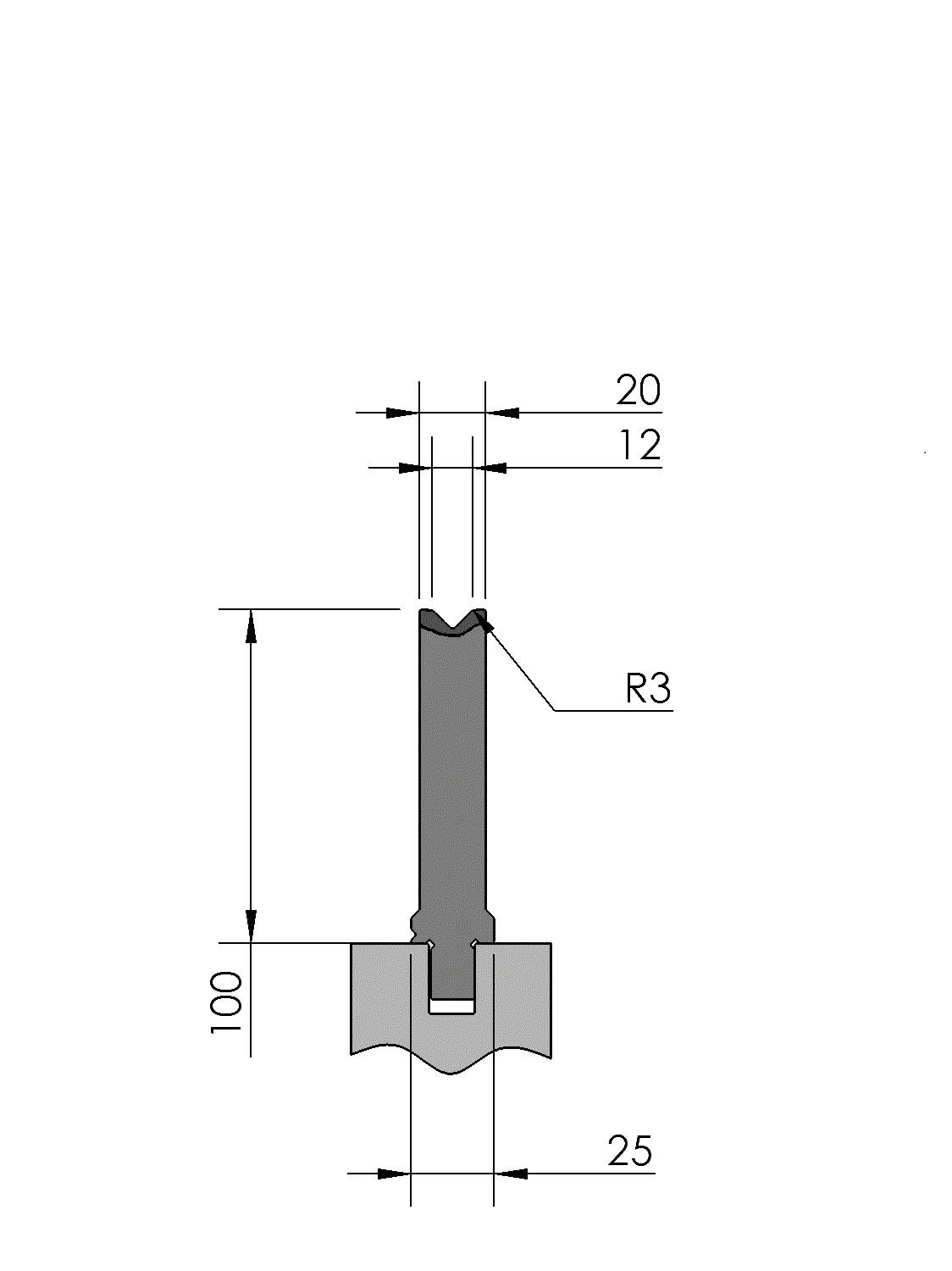
New Standard Premium ondergereedschap met Werkhoogte=100mm, V-opening=12mm/90°, Buigradius=3mm, geslepen en CNC-diepgehard® (minimaal 4mm / 56-60HRc), Materiaal=CR-MO
Max. belasting = 120ton/m.
Dit gereedschap is ook met EnduraBend of de OZU-ZN coating leverbaar (Aanvullende informatie)