Zoeken
Meest gezocht
Terug

OZU-352 ATC

OZU-352 ATC

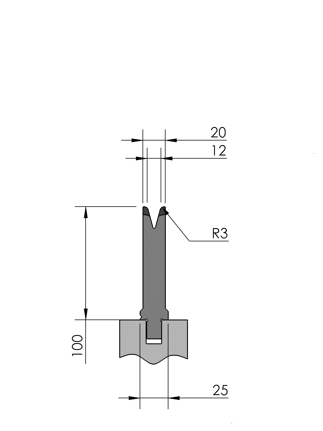
New Standard Premium Bottom Tool ATC
  • Werkhoogte = 100mm
  • V-opening = 12mm/30°
  • Radius = 3mm
  • CNC-diepgehard® (≥ 4mm / 56-60HRC)
  • Max. belasting = 80ton/m
  • Voorzien van ATC-adapter

Beschrijving

New Standard Premium ondergereedschap voorzien van ATC-adapter. met Werkhoogte=100mm, V-opening=12mm/30°, Buigradius=3mm, geslepen en CNC-diepgehard® (minimaal 4mm / 56-60HRc), Materiaal=CR-MO
Max. belasting = 80ton/m.

Downloads

Dank u wel voor uw interesse!

Laat uw e-mailadres achter en we sturen u meteen een downloadlink. Of registreer u voor MyWILA en u krijgt direct toegang tot alle online content van WILA.

Downloaden als gast Log in
Heeft u al een account? Log in