Abkanten von Blechen in verschiedenen Winkeln mit einem begrenzten Werkzeugsatz.
Abkanten von Blechen durch Einschließen des Blechs zwischen Stempel und Matrize.
Werkzeuglösungen von WILA zur Realisierung kürzerer Flanschlängen.
Vermeidung von Verformungen beim Biegen in der Nähe von Aussparungen.
Vorgehensweise beim Biegen von verzinkten Blechen, Aluminium oder Edelstahl.
Das Kastenbiegen verlangt eine vorausschauende Wahl der Abkantpresse und des Werkzeugs.
Werkzeugsysteme und Werkzeuge für das Biegen von dickerem oder hochfestem Stahl.
Nachbearbeitung scharfer Kanten und Verstärkung von Blechteilen.
Biegungen mit einem großen Radius im Verhältnis zur Materialstärke.
Reduzierung oder eliminierung von Abdrücken auf der Oberfläche des gebogenen Materials.
Zwei gleiche und entgegengesetzte Biegungen in einem Arbeitsgang.
Ein Überblick über Biegeanwendungen und -techniken
Alle Anwendungen
Alles, was Sie schon immer zum Thema Abkanten wissen wollten.
Weiter lesen
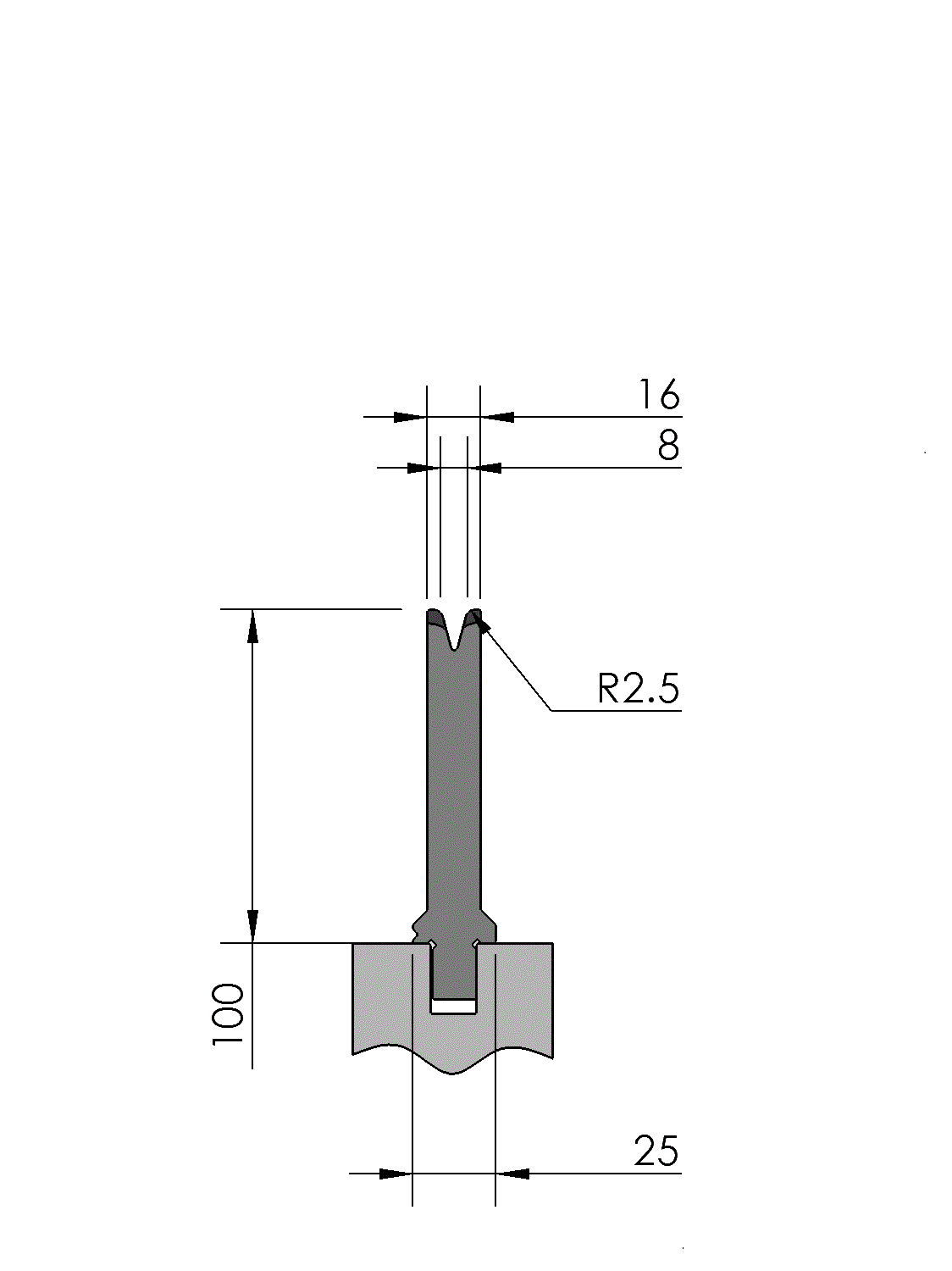
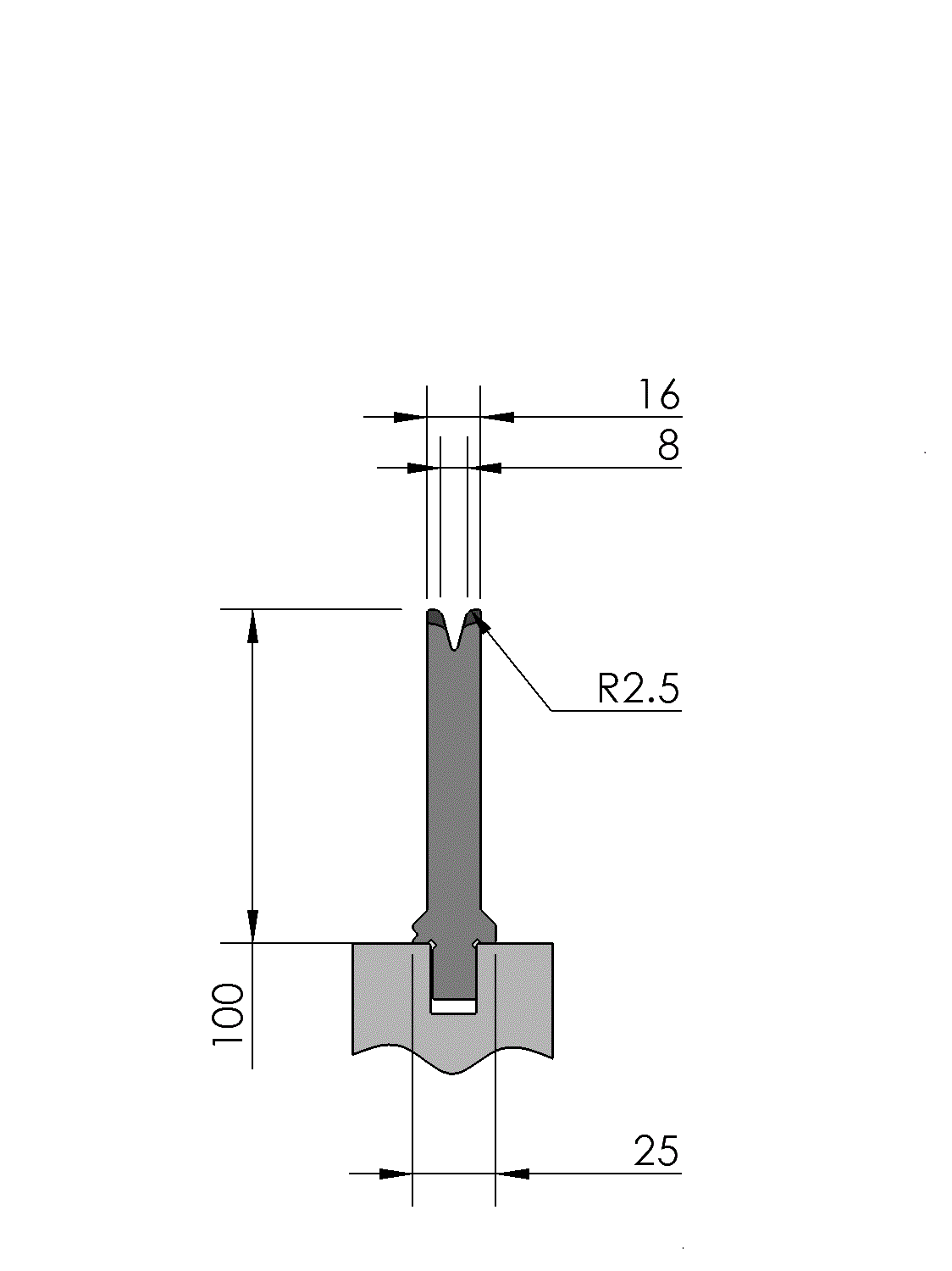
New Standard Premium Unterwerkzeug versehen mit WILA New Standard ATC, Arbeitshöhe=100mm, V-öffnung=8mm/30°, Biegeradius=2.5mm CNC-Tiefgehärtet® (mindestens 4mm / 56-60HRc), Material=CR-MO
Max. Belastung = 80ton/m.