Search
Most searched
Back

OZU-322 ATC

OZU-322 ATC

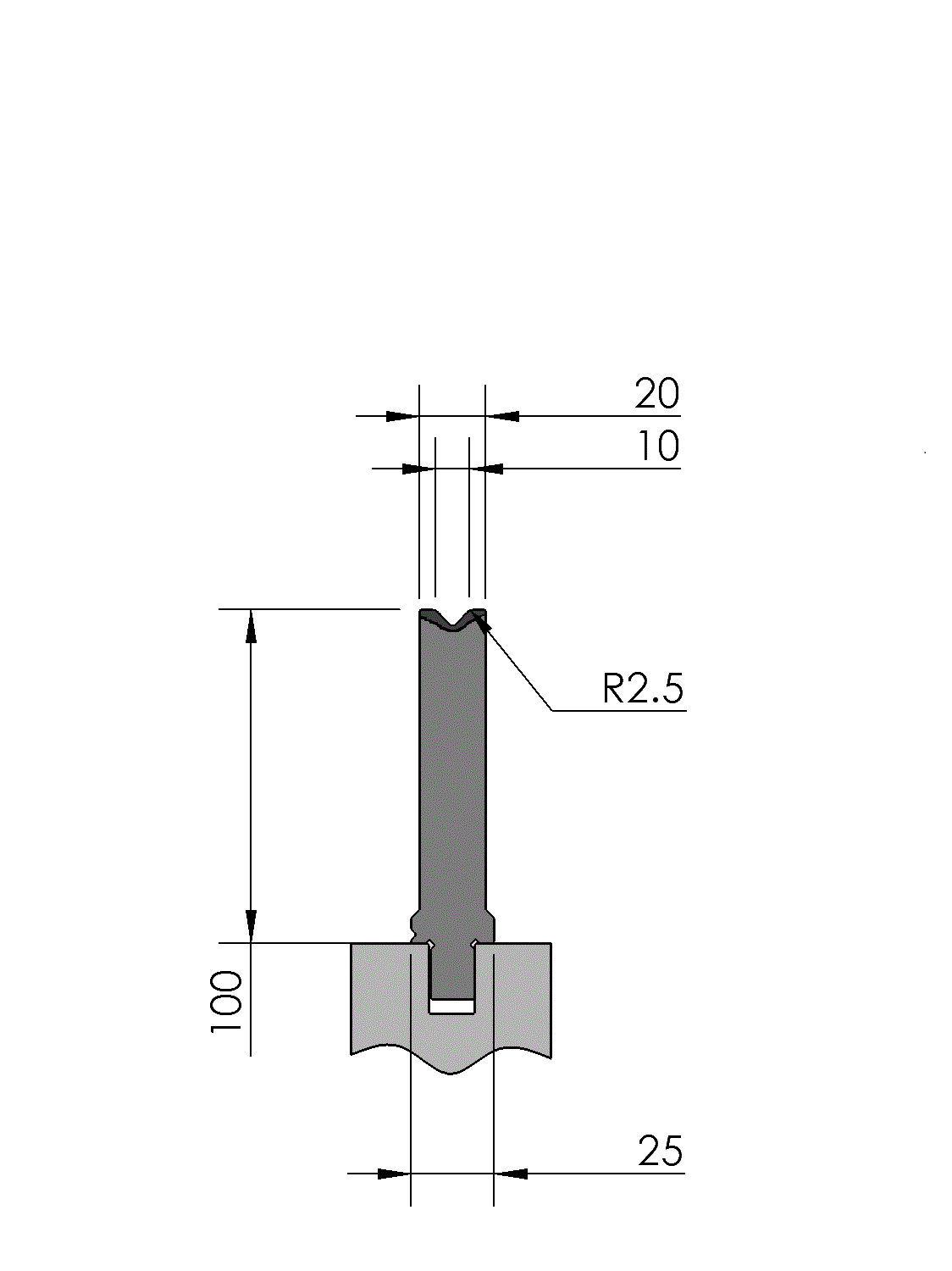
New Standard Premium Bottom Tool ATC
  • Working height = 100mm
  • V-opening = 10mm/86°
  • Radius = 2.5mm
  • CNC-Deephardened® (≥ 4mm / 56-60HRC)
  • Max. Belastung = 120ton/m
  • Provided with ATC-adapter

Description

New Standard Premium bottom tool provided with ATC-adapter. Working height=100mm, V-opening=10mm/86°, Bending radius=2.5mm CNC-Deephardened® (at least 4mm / 56-60HRc), Material=CR-MO
Max. load = 120ton/m.
This tool can be supplied with EnduraBend coating or with the OZU-ZN coating (Additional information)