Bending sheet metal in different angles using a limited set of tools.
Bending sheet metal by enclosing the sheet between the punch and the die.
WILA's tooling solutions for achieving shorter flange lengths.
Avoid deformations when bending near cut-outs.
Bending galvanized sheet metal, aluminium or stainless steel on a press brake.
Box bending requires forethinking your choice of press brake and tooling.
Tool Holders and Tooling for bending thicker or high strength steel.
Finish sharp edges and strengthen parts of sheet metal products.
Creating a bend with a large radius to material thickness ratio.
Reduce marking on the surface of the bent material.
Making two equal and opposite bends in one hit.
An overview of all bending applications and techniques.
All applications
Everything you ever wanted to know about sheet metal bending
Read more
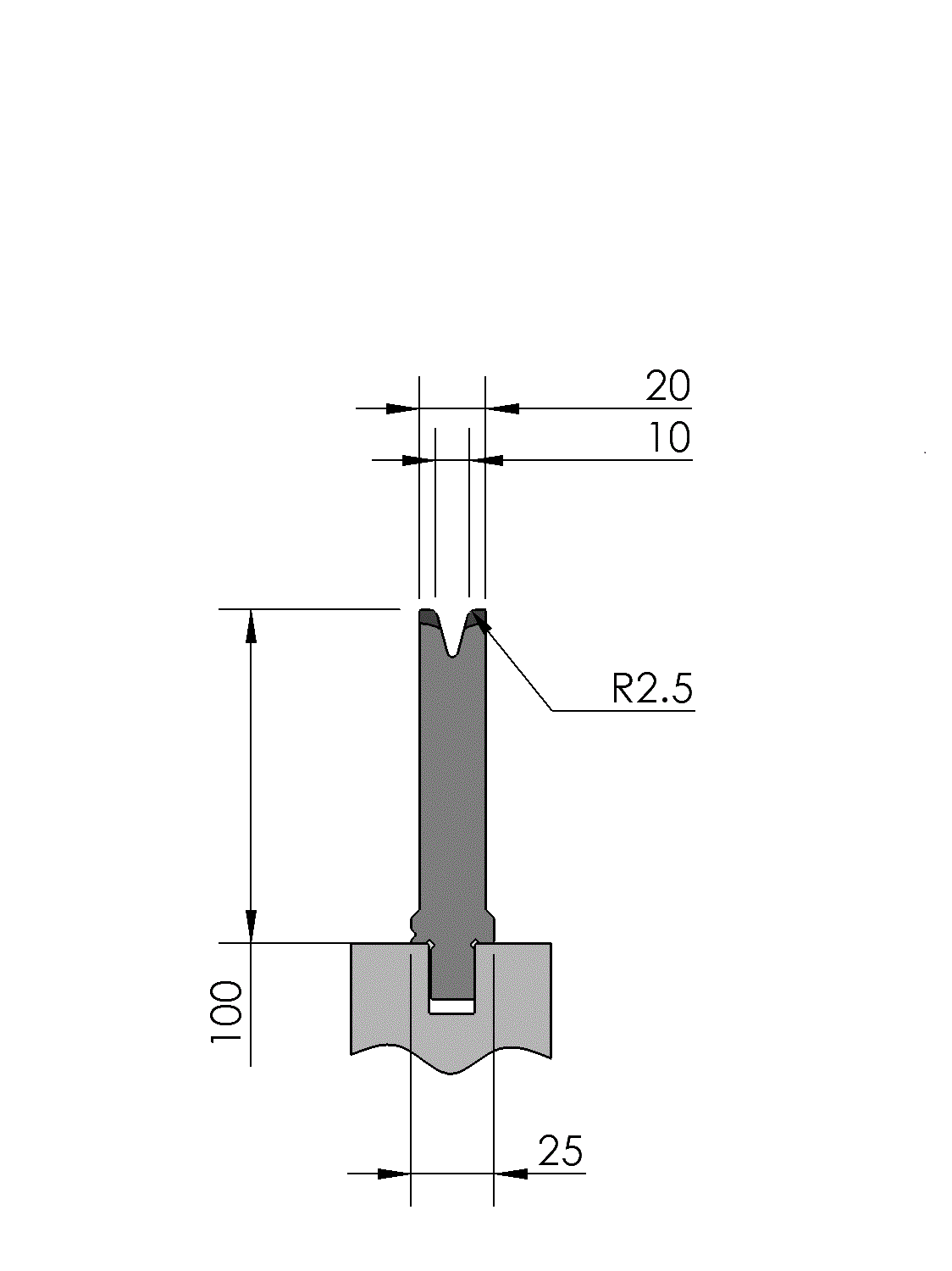
New Standard Premium bottom tool provided with ATC-adapter. Working height=100mm, V-opening=10mm/30°, Bending radius=2.5mm CNC-Deephardened® (at least 4mm / 56-60HRc), Material=CR-MO
Max. load = 80ton/m.
This tool can be supplied with EnduraBend coating or with the OZU-ZN coating (Additional information)